?1前言
???? 隨著我國人民生活水平的不斷提高,生活方式豐富多彩,各地大最涌現出水上樂園、游泳池、洗浴中心等休閑娛樂場所,這其中諸如人工造浪、水力按摩、沖浪浴、桑拿浴、水下彩燈、噴泉等,都在量使用著各種電氣設備和燈具。這些設備多數浸在水中,水是可導電介質,一但發生漏電,后果就十分嚴重,除盡快切斷電源外幾乎沒有任何其他搶救方法(脫離電源),加上可導致二次事故(溺水),發生群死群傷決非危言聳聽。近年來,各地上述場所發生觸電傷亡事故的報道經常出現于媒體,一次死亡多人的事故時有發生。
???? 筆者通過對本地已發生的多起水中觸電事故現場技術調查發現,無論從電氣設施的設計、安裝到管理,都不同程度地存在違反現行電氣安全規程的問題。由于專業從事設備安裝的隊伍素質不高,相關技術法規不健全,現場電氣設施的選用、安裝及防護裝置的使用等隨意性很大,不安全因素大量存在。如浴池使用自制電熱桑拿爐,賓館浴室內設普通電源插座,噴泉池觀賞池使用工農業排灌用潛水電泵等,均屬嚴重違章使用、操作行為,安全等級可想而知。
???? 從近年來發生的多起水中觸電傷亡事故來看,確有其極特殊性。例如,常規電氣安全技術中所謂“擺脫電流”在水中無從談起,在帶電的水中危險電壓如何分布(三維空間),人體在帶電的水中發生電擊時的電流走向及傷害機理,水下安全電壓值究竟是多少等等。要弄清上述內容,明白其機理,決非易事,但盡最大可能地提高電氣系統安全性,防止電氣設備漏電及人身觸電應是切實可行的。
???? 然而,我國現行的電氣安全技術標準中尚無水下電氣安全的內容,處于無章可循的狀態。在工農業生產和人民生活中,涉及電氣設施與水密切相關的場所大量存在,都有水下及極度潮濕環境下的電氣安全問題,因此,盡快制定相關技術標準與法規應是當務之急。
????2一起典型事故案例的分析
???? 1999年11月20日,某洗浴中心,由于設在熱水池池壁上的水下照明燈(12V)外殼漏電,造成池中正在洗浴的人員一死二傷。筆者從現場技術調查和走訪傷者、了解目擊者入手,分別介紹事故調查情況并提出由此引發的問題。
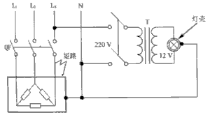
????2.1現場技術調查
???? 經現場勘查測試,與此事故相關的設備為一個電熱桑拿爐和一組水下照明燈,電氣原理圖如圖1所示。
????

???? 圖1 事故現場電氣原理圖
???? 經測試查出,桑拿爐相線與金屬爐殼發生短路故障,由于開關配置、保護零線阻抗及短路程度等多種原因,其短路電流未能使空氣開關動作,此時,故障長時間存在,凡是接零設備的外殼均帶有危險電壓,由于池內12V照明燈外殼接零,因此,危險電壓通過零線加到水池內的燈殼,使水中帶電發生事故。
????2.2問題一
???? 電器設備發生碰殼短路是一種較常見的故障現象,按現行電氣安全技術標準配備的各種保護設置(熔斷器、空氣開關等)在短路、過流保護時,一般都有一定的延時。由于發生碰殼短路時的情況復雜程度不同,這全延時時間從零點幾秒到數分鐘不等。在這段時間內漏電設備外殼帶有危險電壓,假設380/220V中性點直接接地供電系統,各項參數均符合現行標準要求,這個危險電壓值超過100V(計算從略)。這種情況在水下將是致命的,因此時浸在水中的人體電阻已達到最小值(325~600Ω,干燥皮膚約1500Ω)觸電電流將達到最大值,且處于無法擺脫的狀態。以上說明現行保護接地與保護接零技術標準,在防止水中觸電是不適用的。
????2.3問題二
???? 案例中,漏電點在水下照明燈外殼,但燈本身及燈用變壓器并無故障,而是由接地線將故障電壓引來,現場使用的進口燈具接線端子上沒有專用接地線端子,按我國相關電氣安全規程規定,電氣設施的金屬外殼接地是符合要求的。但另一方面,該燈使用12V“安全電壓”,如按國家標準《安全電壓》GB3805-1983中的規定“工作在安全電壓下的電路必須與其他電氣系統和任何無關的可導電部分實行電氣上的隔離”,即不要求接地(需安全隔離變壓器),該案例如燈殼不接地,那么這起事故完全可以避免,但《安全電壓》標準中又規定了“本標準不適用于水下等特殊場所”。由此可見,盡快制定適用于水下的電氣安全技術標準勢在必行。關于國家標準《安全電壓》與現行相關標準,在接地問題有矛盾以及如何解決的問題,可參閱《安全電壓》編制說明。
????2.4走訪事故目擊者及傷者
???? 事故調查時,一目擊者稱“當時池中3人有兩人在水中掙扎,一人(死者)不動,其中一人(傷輕,池中站立者)自行出來后蹲在地下不動,約十分多種后自行站起”。筆者在醫院走訪了重傷者,據其稱“我當時蹲坐在池中間位置(不可能觸及池壁燈殼)水沒過胸部,剛要往起站時,突然感覺水里有電,就彈跳起來,倒在水里失去知覺,被救到池外醒過來后感到皮膚無知覺”。
???? 通過以上走訪可以確認以下事實:在漏電的水中,人沒有直接觸及水下漏電的金屬部分可以發生觸電;雙腿站在水里的人傷害較輕,全身浸在水里的有重傷的,有死亡的;凡是浸入水中的人體皮膚表面都通過觸電電流。
變電站運行工崗位風險告知卡
高風險作業風險評估方案
電氣設備的粉塵防爆
雜散電流的防治安全技術措施
電氣防火防爆技術知識手冊
觸電防護技術知識手冊
架空管路拆除安全技術措施
低壓配電作業風險點告知卡
車間安全生產注意事項
配電箱安裝及使用安全要求
保證電力施工現場作業安全的組織措施…
怎樣進行線損分析
防臺防汛安全措施
焊接立焊時的操作方法
跌落式熔斷器的正確操作方法
在電氣設備上工作 保證安全的技術措施