1. 系統組成
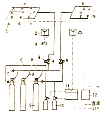
全淹沒二氧化碳滅火系統由二氧化碳容器(鋼瓶)、空器閥、管道、噴嘴、操作系統及附屬裝置等組成。它可分為單元獨立型和組合分配型兩種形式。單元獨立型是一個或一組滅火劑容器保護一個區域,而組合分配型是一組鋼瓶保護兩個以上的封閉區域。圖1是組合分配型二氧化碳系統原理圖。保護區的防火門、窗以及排風道上設置的防火閥,均由氣動關閉機構或自閉式重力操縱,當二氧化碳放出時,自動關閉,使被保護區形成封閉空間。圖中粗實線表示二氧化碳輸氣管道,點劃線表示探測器配線及控制配線的電纜。控制開關(手動操作盤安裝在被保護區的入口旁。能進行遙控)。

圖1 組合分配型二氧化碳系統原理圖
1— 探測器;2—手動按鈕起動裝置;3—報警器;4—選擇閥;5—總管;6—操作管;7—安全閥;8—連接管;9—儲存容器;10—起動用氣容器;11—報警控制裝置;12—檢測盤
2. 滅火方式
該系統的起動方式有手動和自動兩種。一般使用手動式。當室內無人時,也可為自動式,自動式滅火方式是探測器(感溫和感煙探頭)在探測到火災后,發出聲、光報警,通過控制盤打開起動用氣容器的閥門,放出起動氣體來打開選擇閥和二氧化碳儲存鋼瓶的瓶頭閥,放出二氧化碳的系統。當采用手動式時,則直接打開手動起動裝置,按下按鈕,接通電源,也能按以上程序放出二氧化碳滅火。
3. 特點
在全淹沒系統中,用二氧化碳氣體完全置換空氣需要一定的時間,為了迅速達到和保持必要的滅火濃度,應在放出二氧化碳后,將被保護區的開口部分關閉,使其處于密閉狀態,并保持一小時以上,防止殘火復燃。在門窗等不能自動關閉和沒有墻壁或天棚的地方,則還需要補充給一定數量的二氧化碳附加量。
企業生產須注意,消防安全不“打盹”!
消防重點單位62個消防安全標識圖例
自動消防設施定期檢測步驟
消防知識學習裝修及保溫要求
火災、觸電、化學現場處置方案
煙花爆竹生產企業對標改造提升指南(…
煙花爆竹生產經營單位重大生產安全事…
紡織企業春季防火安全注意事項
消防安全管理臺賬
滅火器的型號及規格
動火作業的分類
安全疏散通道的要求和設施
滅火器的種類和用途
施工現場消防安全管理制度
消防安全管理措施
滅火的四種基本方法