一、交流電源防雷
(一)單相并聯式防雷器
電路一:最簡單的電路

說明:
1、優點:電路簡單,采用復合對稱電路,共模、差模全保護, L、N 可以隨便接。
缺點:壓敏電阻RV1 短路失效后易引起火災。最好在每個壓敏電阻上串聯一個工頻保險絲以防壓敏電阻短路起火。如果L、N 線不可能接反,則可省去壓敏電阻RV2、RV3,將放電管G 的上端直接接到N 線上,構成“1+1”電路。
2、壓敏電阻的壓敏電壓值參照下表選取(選壓敏電壓高一點的更安全、耐用,故障率低,但殘壓略高);根據通流容量要求選擇外形尺寸和封裝形式,或采用幾個壓敏電阻并聯(應挑選壓敏電壓相近的并聯,以延長使用壽命和確保安全)。

3、陶瓷氣體放電管的通流容量根據要求的通流容量選擇,直流擊穿電壓為470V~600V。當要求的通流容量≤3KA 時,可以用玻璃放電管代替。
4、壓敏電阻和氣體放電管都必須按沖擊10 次以上的降額值計算通流容量(壓敏電阻為一次沖擊通流容量的三分之一左右,氣體放電管為最大通流容量的一半左右)。
電路二:較安全的電路

說明:
1、優點:采用復合對稱電路,共模、差模全保護, L、N 可以隨便接,正常工作時無漏電流,可延長器件使用壽命,由于陶瓷氣體放電管失效模式大多為開路,不易引起火災。缺點:萬一壓敏電阻和陶瓷氣體放電管都短路失效時還有可能起火。
2、壓敏電阻的壓敏電壓值參照下表選取(選壓敏電壓高一點的更安全、耐用,故障率低,但殘壓略高);根據通流容量要求選擇外形尺寸和封裝形式,或采用幾個壓敏電阻并聯(應挑選壓敏電壓相近的并聯,以延長使用壽命和確保安全)。

3、陶瓷氣體放電管的通流容量根據要求的通流容量選擇,直流擊穿電壓為470V~600V。當要求的通流容量≤3KA 時,可以用玻璃放電管代替。
4、壓敏電阻和氣體放電管都必須按沖擊10 次以上的降額值計算通流容量(壓敏電阻為一次沖擊通流容量的三分之一左右,氣體放電管為最大通流容量的一半左右)。
電路三:通用的安全保護電路

說明:
1、優點:采用復合對稱電路,共模、差模全保護,L、N 可以隨便接,安全,壓敏電阻短路失效后能與電路脫離,一般不會引起火災。
2、壓敏電阻的壓敏電壓值參照下表選取(選壓敏電壓高一點的更安全、耐用,故障率低,但殘壓略高);根據通流容量要求選擇外形尺寸和封裝形式,或采用幾個壓敏電阻并聯(應挑選壓敏電壓相近的并聯,每個壓敏電阻都要單獨串聯溫度保險管,以延長使用壽命和確保安全)。

3、溫度保險管一般采用130℃~135℃、10A/250V 的,應與壓敏電阻有良好的熱耦合。最好再串聯一個工頻保險絲以防工頻過電壓瞬間擊穿壓敏電阻起火。
4、陶瓷氣體放電管的通流容量根據要求的通流容量選擇,直流擊穿電壓為470V~600V。當要求的通流容量≤3KA 時,可以用玻璃放電管代替。
5、壓敏電阻和氣體放電管都必須按沖擊10 次以上的降額值計算通流容量(壓敏電阻為一次沖擊通流容量的三分之一左右,氣體放電管為最大通流容量的一半左右)。
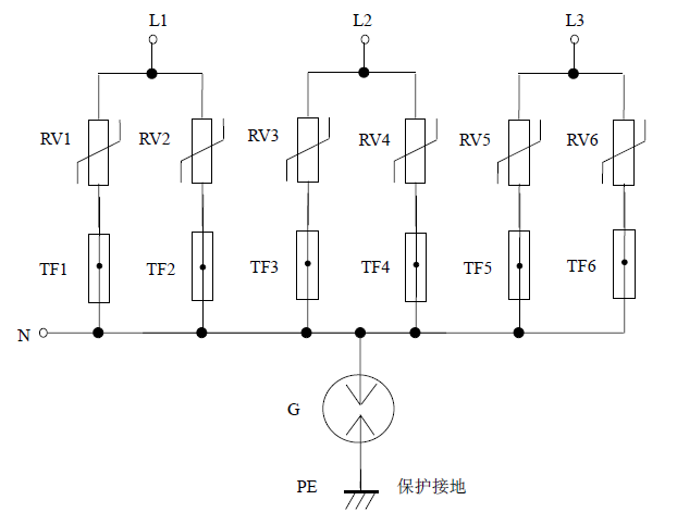
(二)三相并聯式防雷器
電路一:最簡單的電路

說明:
1、優點:采用“3+1”電路,電路簡單,三相全保護。缺點:壓敏電阻短路失效后易引起火災。最好在每個壓敏電阻上串聯一個工頻保險絲以防壓敏電阻短路起火。
2、壓敏電阻的壓敏電壓值參照下表選取(選壓敏電壓高一點的更安全、耐用,故障率低,但殘壓略高);根據通流容量要求選擇外形尺寸和封裝形式,或采用幾個壓敏電阻并聯(如圖所示為每相兩個壓敏電阻并聯,應挑選壓敏電壓值相近的并聯,以延長使用壽命和確保安全)。

3、陶瓷氣體放電管的通流容量根據要求的通流容量選擇,直流擊穿電壓為470V~600V。當要求的通流容量≤3KA 時,可以用玻璃放電管代替。
4、壓敏電阻和氣體放電管都必須按沖擊10 次以上的降額值計算通流容量(壓敏電阻為一次沖擊通流容量的三分之一左右,氣體放電管為最大通流容量的一半左右)。
電路二:較安全的電路
說明:
1、優點:采用“3+1”電路,三相全保護,正常工作時無漏電流,可延長器件使用壽命,由于陶瓷氣體放電管失效模式大多為開路,不易引起火災。缺點:萬一壓敏電阻和陶瓷氣體放電管都短路失效時還有可能引起火災。
2、壓敏電阻的壓敏電壓值參照下表選取(選壓敏電壓高一點的更安全、耐用,故障率低,但殘壓略高);根據通流容量要求選擇外形尺寸和封裝形式,或采用幾個壓敏電阻并聯(如圖所示為每相兩個壓敏電阻并聯,應挑選壓敏電壓值相近的并聯,以延長使用壽命和確保安全)。

3、陶瓷氣體放電管的通流容量根據要求的通流容量選擇,直流擊穿電壓為470V~600V。當要求的通流容量≤3KA 時,可以用玻璃放電管代替。
4、壓敏電阻和氣體放電管都必須按沖擊10 次以上的降額值計算通流容量(壓敏電阻為一次沖擊通流容量的三分之一左右,氣體放電管為最大通流容量的一半左右)。
電路三:通用的安全保護電路

說明:
1、優點:采用“3+1”電路,三相全保護,安全,壓敏電阻短路失效后能與電路脫離,一般不會引起火災。
2、壓敏電阻的壓敏電壓值參照下表選取(選壓敏電壓高一點的更安全、耐用,故障率低,但殘壓略高);根據通流容量要求選擇外形尺寸和封裝形式,或采用幾個壓敏電阻并聯(如圖所示為每相兩個壓敏電阻并聯,應挑選壓敏電壓值相近的并聯,每個壓敏電阻都要單獨串聯溫度保險管,以延長使用壽命和確保安全)。

3、溫度保險管一般采用130℃~135℃、10A/250V 的,應與壓敏電阻有良好的熱耦合。最好再串聯一個工頻保險絲以防工頻過電壓瞬間穿壓敏電阻起火。
4、陶瓷氣體放電管的通流容量根據要求的通流容量選擇,直流擊穿電壓為470V~600V。當要求的通流容量≤3KA 時,可以用玻璃放電管代替。
5、壓敏電阻和氣體放電管都必須按沖擊10 次以上的降額值計算通流容量(壓敏電阻為一次沖擊通流容量的三分之一左右,氣體放電管為最大通流容量的一半左右)。
(三)單相串聯式防雷器
單相通用安全保護電路:

說明:
1、優點:采用兩級復合對稱電路,共模、差模全保護,殘壓低,L、N 可以隨便接,安全,壓敏電阻短路失效后能與電路脫離,一般不會引起火災。
2、壓敏電阻的壓敏電壓值參照下表選取(選壓敏電壓高一點的更安全、耐用,故障率低,但殘壓略高);根據通流容量要求選擇外形尺寸和封裝形式,或采用幾個壓敏電阻并聯(如圖所示第一級為m 個壓敏電阻并聯,第二級為n 個并聯,應挑選壓敏電壓相近的并聯,每個壓敏電阻都要單獨串聯溫度保險管,以延長使用壽命和確保安全)。

3、溫度保險管一般采用130℃~135℃、10A/250V 的,應與壓敏電阻有良好的熱耦合。最好再串聯一個工頻保險絲以防工頻過電壓瞬間擊穿壓敏電阻起火。
4、陶瓷氣體放電管的通流容量根據要求的通流容量選擇,直流擊穿電壓為470V~600V。當要求的通流容量≤3KA 時,可以用玻璃放電管代替。
5、壓敏電阻和放電管都必須按沖擊10 次以上的降額值計算通流容量(壓敏電阻為一次沖擊通流容量的三分之一左右,放電管為最大通流容量的一半左右)。
6、串聯電感為空心電感,電感量應≥20μH,導線直徑應按負載電流計算。
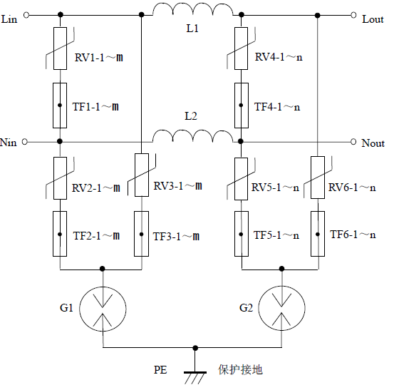
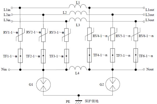
(四)三相串聯式防雷器
三相通用安全保護電路:

說明:
1、優點:采用兩級“3+1”電路,三相全保護,殘壓低,安全,壓敏電阻短路失效后能與電路脫離,一般不會引起火災。
2、壓敏電阻的壓敏電壓值參照下表選取(選壓敏電壓高一點的更安全、耐用,故障率低,但殘壓略高);根據通流容量要求選擇外形尺寸和封裝形式,或采用幾個壓敏電阻并聯(如圖所示第一級為m 個壓敏電阻并聯,第二級為n 個并聯,應挑選壓敏電壓相近的并聯,每個壓敏電阻都要單獨串聯溫度保險管,以延長使用壽命和確保安全)。

3、溫度保險管一般采用130℃~135℃、10A/250V 的,應與壓敏電阻有良好的熱耦合。最好再串聯一個工頻保險絲以防工頻過電壓瞬間擊穿壓敏電阻起火。
4、陶瓷氣體放電管的通流容量根據要求的通流容量選擇,直流擊穿電壓為470V~600V。當要求的通流容量≤3KA 時,可以用玻璃放電管代替。
5、壓敏電阻和放電管都必須按沖擊10 次以上的降額值計算通流容量(壓敏電阻為一次沖擊通流容量的三分之一左右,放電管為最大通流容量的一半左右)。
6、串聯電感為空心電感,電感量應≥20μH,導線直徑應按負載電流計算。
二、通信機房用直流電源防雷器
(一)并聯式直流電源防雷器
1、正極接地(-48V)直流電源

說明:
1、壓敏電阻在圖上所標型號中選取(選壓敏電壓高一點的更安全、耐用,故障率低,但殘壓略高);根據通流容量要求選擇外形尺寸和封裝形式,或采用幾個壓敏電阻并聯(應挑選壓敏電壓相近的并聯,每個壓敏電阻都要單獨串聯溫度保險管,以延長使用壽命和確保安全)。
2、溫度保險管一般采用130℃~135℃、10A/250V 的,應與壓敏電阻有良好的熱耦合。最好再串聯一個電流保險絲以防操作過電壓瞬間擊穿壓敏電阻起火。
3、陶瓷氣體放電管的通流容量根據要求的通流容量選擇,直流擊穿電壓一般為90V。當要求的通流容量≤3KA 時,可以用玻璃放電管代替。
4、壓敏電阻和氣體放電管都必須按沖擊10 次以上的降額值計算通流容量(壓敏電阻為一次沖擊通流容量的三分之一左右,氣體放電管為最大通流容量的一半左右)。
2、負極接地(+24V)直流電源

說明:
1、壓敏電阻在圖上所標型號中選取(選壓敏電壓高一點的更安全、耐用,故障率低,但殘壓略高);根據通流容量要求選擇外形尺寸和封裝形式,或采用幾個壓敏電阻并聯(應挑選壓敏電壓相近的并聯,每個壓敏電阻都要單獨串聯溫度保險管,以延長使用壽命和確保安全)。
2、溫度保險管一般采用130℃~135℃、10A/250V 的,應與壓敏電阻有良好的熱耦合。最好再串聯一個電流保險絲以防操作過電壓瞬間擊穿壓敏電阻起火。
3、陶瓷氣體放電管的通流容量根據要求的通流容量選擇,直流擊穿電壓一般為90V。當要求的通流容量≤3KA 時,可以用玻璃放電管代替。
4、壓敏電阻和氣體放電管都必須按沖擊10 次以上的降額值計算通流容量(壓敏電阻為一次沖擊通流容量的三分之一左右,氣體放電管為最大通流容量的一半左右)。
3、正負對稱直流電源
說明:
1、壓敏電阻在圖上所標型號中選取(選壓敏電壓高一點的更安全、耐用,故障率低,但殘壓略高),根據通流容量要求選擇外形尺寸和封裝形式,或采用幾個壓敏電阻并聯(應挑選壓敏電壓相近的并聯,每個壓敏電阻都要單獨串聯溫度保險管,以延長使用壽命和確保安全)。
2、溫度保險管一般采用130℃~135℃、10A/250V 的,應與壓敏電阻有良好的熱耦合。最好再串聯一個電流保險絲以防操作過電壓瞬間擊穿壓敏電阻起火。
3、陶瓷氣體放電管的通流容量根據要求的通流容量選擇,直流擊穿電壓一般為150V。當要求的通流容量≤3KA 時,可以用玻璃放電管代替。
4、壓敏電阻和氣體放電管都必須按沖擊10 次以上的降額值計算通流容量(壓敏電阻為一次沖擊通流容量的三分之一左右,氣體放電管為最大通流容量的一半左右)
(二)串聯式直流電源防雷器
1、正極接地(-48V)直流電源

說明:
1、壓敏電阻在圖上所標型號中選取(壓敏電壓高的更安全、耐用,故障率低,但殘壓略高),根據通流容量要求選擇外形尺寸和封裝形式,要求通流容量Im 大時,第一、二級可以如圖所示分別用m個、n個壓敏電阻并聯(應挑選壓敏電壓相近的并聯,每個壓敏電阻都要單獨串聯溫度保險管,以延長使用壽命和確保安全),按第一級Im1≥Im,第二級Im2≥(0.2~0.3)Im 估算。
2、溫度保險管一般采用130℃~135℃、10A/250V 的,應與壓敏電阻有良好的熱耦合。最好再串聯一個電流保險絲以防操作過電壓瞬間擊穿壓敏電阻起火。
3、第一個陶瓷氣體放電管G1 的通流容量根據要求的通流容量Im 選擇,第二個放電管G2 可以參照第二級Im2 選擇。
4、壓敏電阻和放電管都必須按沖擊10 次以上的降額值計算通流容量(壓敏電阻為一次沖擊通流容量的三分之一左右,放電管為最大通流容量的一半左右)。
5、串聯電感為空心電感,電感量應≥20μH,導線直徑應按負載電流計算。
2、負極接地(+24V)直流電源

說明:
1、壓敏電阻在圖上所標型號中選取(壓敏電壓高的更安全、耐用,故障率低,但殘壓略高),根據通流容量要求選擇外形尺寸和封裝形式,要求通流容量Im 大時,第一、二級可以如圖所示分別用m個、n個壓敏電阻并聯(應挑選壓敏電壓相近的并聯,每個壓敏電阻都要單獨串聯溫度保險管,以延長使用壽命和確保安全),按第一級Im1≥Im,第二級Im2≥(0.2~0.3)Im 估算。
2、溫度保險管一般采用130℃~135℃、10A/250V 的,應與壓敏電阻有良好的熱耦合。最好再串聯一個電流保險絲以防操作過電壓瞬間擊穿壓敏電阻起火。
3、第一個陶瓷氣體放電管G1 的通流容量根據要求的通流容量Im 選擇,第二個放電管G2 可以參照第二級Im2 選擇。
4、壓敏電阻和放電管都必須按沖擊10 次以上的降額值計算通流容量(壓敏電阻為一次沖擊通流容量的三分之一左右,放電管為最大通流容量的一半左右)。
5、串聯電感為空心電感,電感量應≥20μH,導線直徑應按負載電流計算。
3、正負對稱直流電源
說明:
1、壓敏電阻在圖上所標型號中選取(選壓敏電壓高一點的更安全、耐用,故障率低,但殘壓略高),根據通流容量要求選擇外形尺寸和封裝形式,要求通流容量Im 大時,第一、二級可以如圖所示分別用m個、n個壓敏電阻并聯(應挑選壓敏電壓相近的并聯,每個壓敏電阻都要單獨串聯溫度保險管,以延長使用壽命和確保安全),按第一級Im1≥Im,第二級Im2≥(0.2~0.3)Im 估算。
2、溫度保險管一般采用130℃~135℃、10A/250V 的,應與壓敏電阻有良好的熱耦合。最好再串聯一個電流保險絲以防操作過電壓瞬間擊穿壓敏電阻起火。
3、陶瓷氣體放電管的通流容量根據要求的通流容量選擇
4、壓敏電阻和氣體放電管都必須按沖擊10 次以上的降額值計算通流容量(壓敏電阻為一次沖擊通流容量的三分之一左右,氣體放電管為最大通流容量的一半左右)。
5、串聯電感為空心電感,電感量應≥20μH,導線直徑應按負載電流計算。
三、通用兩級信號防雷器
(一)雙絞線型
通用電路一:

說明:
①R1、R2 可以用普通金屬氧化膜電阻(2W-4.3~5.1Ω),也可以用冷態電阻相當的正溫度系數熱敏電阻(如:自恢復保險絲:LP60-010/030,LB180(U))。
②陶瓷氣體放電管和 TVS 管的直流擊穿電壓根據信號電壓幅度選擇,見下表:

通用電路二:

說明:
①R1、R2 可以用普通金屬氧化膜電阻(2W-4.3~5.1Ω),也可以用冷態電阻相當的正溫度系數熱敏電阻(如:自恢復保險絲:LP60-010/030,LB180(U))。
②玻璃放電管和 TVS 管的直流擊穿電壓根據信號電壓幅度選擇,見下表:

③本電路只適用于沖擊電流不大于玻璃放電管最大脈沖放電電流的場合,且電路中沒有連續直流電壓。
通用電路三:

說明:
①R1、R2 可以用普通金屬氧化膜電阻(2W-4.3~5.6Ω),也可以用冷態電阻相當的正溫度系數熱敏電阻(如:自恢復保險絲:LP60-010/030,LB180(U))。
②陶瓷氣體放電管和半導體過壓保護器的直流擊穿電壓根據信號電壓幅度選擇,見下表:

③本電路只適用于電路中沒有連續直流電壓的場合。
通用電路四:

說明:
①R1、R2 可以用普通金屬氧化膜電阻(2W-4.3~5.6Ω),也可以用冷態電阻相當的正溫度系數熱敏電阻(如:自恢復保險絲:LP60-010/030,LB180(U))。
②陶瓷氣體放電管和半導體過電壓保護器的直流擊穿電壓根據信號電壓幅度選擇,見下表:
③使用電壓低的半導體過電壓保護器時,必須如圖所示在接地端串聯玻璃放電管;當使用電壓高于100V 的半導體過電壓保護器時可以不串聯玻璃放電管。
④本電路只適用于電路中沒有連續直流電壓的場合。
通用電路五:

說明:
①R1、R2 可以用普通金屬氧化膜電阻(2W-4.3~5.1Ω),也可以用冷態電阻相當的正溫度系數熱敏電阻(如:自恢復保險絲:LP60-010/030,LB180(U))。
②陶瓷氣體放電管和 TVS 管的直流擊穿電壓根據信號電壓幅度選擇,見下表:

③本電路適用于傳輸高頻/高速信號(最高頻率可達20MHZ)。
(二)同軸線型
(1)外導體接地電路:
通用電路一:

說明:
①R1、R2 可以用普通金屬氧化膜電阻(2W-4.3~5.1Ω),也可以用冷態電阻相當的正溫度系數熱敏電阻(如:自恢復保險絲:LP60-010/030,LB180(U))。
②陶瓷氣體放電管和 TVS 管的直流擊穿電壓根據信號電壓幅度選擇,見下表:

③電路帶寬很寬,可以傳輸 20MHZ 以下的高頻信號。
④輸入、輸出接頭應分別與原系統的接頭類型相配。
通用電路二:

說明:
①R1、R2 可以用普通金屬氧化膜電阻(2W-4.3~5.6Ω),也可以用冷態電阻相當的正溫度系數熱敏電阻(自恢復保險絲:LP60-010/030,LB180(U))。
②陶瓷氣體放電管和半導體過壓保護器的直流擊穿電壓根據信號電壓幅度選擇,見下表:

③本電路只適用于電路中沒有連續直流電壓的場合。
④輸入、輸出接頭應分別與原系統的接頭類型相配。
通用電路三:

說明:
①本電路只適用于信號頻率/速率較低,且電路中沒有連續直流電壓的場合。
②R 可以用普通金屬氧化膜電阻(2W-4.3~5.6Ω),也可以用冷態電阻相當的正溫度系數熱敏電阻(自恢復保險絲:LP60-010/030,LB180(U))。
③玻璃放電管和半導體過電壓保護器的直流擊穿電壓根據信號電壓幅度選擇,見下表:
④輸入、輸出接頭應分別與原系統的接頭類型相配。
(2)外導體不接地電路:
通用電路一:

說明:
①電路帶寬很寬,可以傳輸 20MHZ 以下的高頻信號。
②陶瓷氣體放電管和 TVS1 的直流擊穿電壓根據信號電壓幅度選擇,見下表:

③R1、R2 可以用普通金屬氧化膜電阻(2W-4.3~5.1Ω),也可以用冷態電阻相當的正溫度系數熱敏電阻(如:自恢復保險絲:LP60-010/030,LB180(U))。
④輸入、輸出接頭應分別與原系統的接頭類型相配。
通用電路二:

說明:
①R1、R2 可以用普通金屬氧化膜電阻(2W-4.3~5.1Ω),也可以用冷態電阻相當的正溫度系數熱敏電阻(如:自恢復保險絲:LP60-010/030,LB180(U))。
②玻璃放電管和半導體過壓保護器的直流擊穿電壓根據信號電壓幅度選擇,見下表:

③本電路只適用于信號頻率/速率較低的場合。
④輸入、輸出接頭應分別與原系統的接頭類型相配。
(三)提高傳輸頻率/速率的方法
1、采用低電容TVS 管或半導體過壓保護器
傳輸頻率/速率≥10MHz,Cj≤60pF;
傳輸頻率/速率≥100MHz,Cj≤20pF。
2、將TVS 管或半導體過壓保護器串入高速整流橋中(如下圖所示):

四、小功率電源變壓器或開關電源保護電路(以兩組輸出為例
電路一:

說明:
①自恢復保險絲 PTC 根據輸入電流和最高工作環境溫度選擇,壓敏電阻RV1 的通流容量根據輸入浪涌電流大小選擇(一個不夠時,可用幾個并聯,參照“一、交流電源防雷器” ),壓敏電壓應在470~620V 之間選取(電壓很不穩定的地方應選更高的)。
② RV2、RV3 根據U1、U2 的數值選擇壓敏電壓值,外形大小根據輸出線長度選擇,不帶長引線時用5D 或7D,用長引線輸出時,應選用通流容量更大的壓敏電阻(引線越長,通流容量要越大)。
③陶瓷氣體放電管一般用直流擊穿電壓 470V 的,通流容量根據輸入浪涌電流大小選擇。
電路二:

說明:
①自恢復保險絲 PTC 根據輸入電流和最高工作環境溫度選擇,壓敏電阻RV1 的通流容量根據輸入浪涌電流大小選擇(一個不夠時,可用幾個并聯,參照“一、交流電源防雷器” ),壓敏電壓應在470~620V 之間選取(電壓很不穩定的地方應選更高的)。
② TVS1、TVS2 一般用1.5KE 系列的(浪涌電流很小的地方也可用P6KE 系列的),根據U1、U2 的最大峰值電壓選擇擊穿電壓值(VBRmin≥1.2Up)。
③陶瓷氣體放電管一般用直流擊穿電壓 470V 的,通流容量根據輸入浪涌電流大小選擇。
④本電路只適用于輸出端不帶長引線、浪涌電流較小的地方使用(例如在同一塊電路板或相鄰電路板上)。
電路三:

說明:
①自恢復保險絲 PTC 根據輸入電流和最高工作環境溫度選擇,壓敏電阻RV1 的通流容量根據輸入浪涌電流大小選擇(一個不夠時,可用幾個并聯,參照“一、交流電源防雷器” ),壓敏電壓應在470~620V 之間選取(電壓很不穩定的地方應選更高的)。
② RV2、RV3 根據U1、U2 的數值選擇壓敏電壓值,外形大小根據輸出線長度選擇,不帶長引線時用5D 或7D,用長引線輸出時,應選用通流容量更大的壓敏電阻(引線越長,通流容量要越大)。輸出電流較大時,要在線上串聯自恢復保險絲PTC2、PTC3(根據輸出電流和最高環境溫度選擇)。
③陶瓷氣體放電管一般用直流擊穿電壓470V 的,通流容量根據輸入浪涌電流大小選擇。
五、通訊電子設備的保護電路
電路一:

說明:
①本電路適用于架空線引入或其它浪涌電流較大的場合。
②陶瓷氣體放電管的最大放電電流一般選 10kA 或5kA,直流擊穿電壓根據信號電壓幅度選擇,見下表:

③TVS 管用 P6KE220CA 型。如果傳輸線上沒有振鈴信號,則可用P6KE68CA 型。
④R1、R2 可以用普通金屬氧化膜電阻(4.3~5.6Ω),也可以用冷態電阻相當的正溫度系數熱敏電阻(如:自恢復保險絲:LP60-010/030,LB180(U))。
電路二:

說明:
①在埋地電纜引入或其它浪涌電流較小的場合使用。
②BLSA1、BLSA2 用YA-301 型或 YS-301 型玻璃放電管。
③TVS 管用 P6KE220CA 型。如果傳輸線上沒有振鈴信號,TVS 管可用P6KE68CA 型。
④R1、R2 可以用普通金屬氧化膜電阻(3.6~5.1Ω),也可以用冷態電阻相當的正溫度系數熱敏電阻(如:自恢復保險絲:LP60-010/030,LB180(U))。
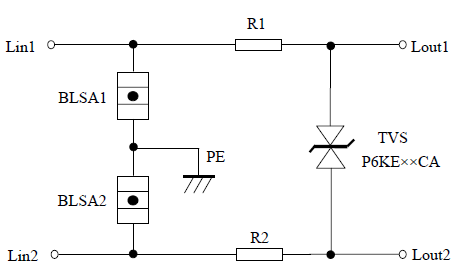
電路三:


說明:
①在埋地電纜引入或其它浪涌電流較小的場合使用。
②R1、R2 可以用普通金屬氧化膜電阻(3.6~5.1Ω),也可以用冷態電阻相當的正溫度系數熱敏電阻(如:自恢復保險絲:LP60-010/030,LB180(U))。
③使用電壓低(≤100V)的半導體過壓保護器時,必須如圖所示在接地端串聯玻璃放電管(BLSA3);當使用電壓高于100V 的半導體過壓保護器時可以不串聯玻璃放電管。
六、直流電源與信號同傳
1、110V 不接地電源與信號同傳:
電路一

電路二

2、+24V 負極接地電源與信號同傳:
電路一

電路二

七、信號電路的二級雙重保護方式

說明:
圖中所標元件型號適用于信號幅度≤6V,整流橋中所接的P0080 可以用P6KE7.5A型TVS 管代替(負端朝左)。其它信號幅度時,要更換元件型號。
八、檢測/控制電路的保護
例如:水、電、煤氣抄表系統,門禁、對講、報警系統,這類系統一般采用低頻(脈沖)信號或直流(交流)開關信號。這類系統又分為不接地系統和接地系統兩大類。
(1)不接地系統保護電路:

說明:
①R1、R2 可以用普通金屬氧化膜電阻(4.3~5.1Ω),也可以用冷態電阻相當的正溫度系數熱敏電阻(如:自恢復保險絲:LP60-010/030,LB180(U))。
②陶瓷氣體放電管和 TVS 管的直流擊穿電壓根據信號電壓幅度選擇,見下表:

③電路中沒有連續直流電壓時,TVS 管可以用擊穿電壓相當的半導體過壓保護器代替。當浪涌電流較小時,陶瓷氣體放電管可以用擊穿電壓相當的玻璃放電管代替。
(2)接地系統保護電路:

說明:
①R 可以用普通金屬氧化膜電阻(4.3~5.1Ω),也可以用冷態電阻相當的正溫度系數熱敏電阻(如:自恢復保險絲:LP60-010/030,LB180(U))。
②陶瓷氣體放電管和 TVS 管的直流擊穿電壓根據信號電壓幅度選擇,見下表:

③電路中沒有連續直流電壓時,TVS 管可以用擊穿電壓相當的半導體過壓保護器代替。當浪涌電流較小時,陶瓷氣體放電管可以用擊穿電壓相當的玻璃放電管代替。
九、單級信號防雷器
1、只用玻璃放電管的保護電路

說明:
①可用于信號頻率/傳輸速率很高,但沒有連續直流電壓的場合。
②玻璃放電管的直流擊穿電壓應根據信號電壓峰值,按下式選擇:
VBRmin≥1.2USpeak
③既可以對不接地的雙線傳輸線進行保護,也可以在有公共接地線的傳輸系統中(如圖中虛線所示)對需要保護的線進行獨立保護。
2、只用半導體過壓保護器的保護電路

說明:
①可用于信號頻率/傳輸速率較低,且沒有連續直流電壓的場合。
②半導體過壓保護器的擊穿電壓應根據信號峰值電壓,按下式選擇:
VBR≥1.2USpeak
③當所用半導體過壓保護器的擊穿電壓低于 100V 時,應在接地端串聯一個擊穿電壓大于100V 的二端半導體過壓保護器或玻璃放電管再接地,如下圖所示。

④當傳輸線中有公共接地線(如圖中虛線所示)時,采用“(1)不帶差模保護”的電路,可以對1 線、2 線、??分別進行保護。
3、只用 TVS 管的保護電路

說明:
①可用于信號頻率/傳輸速率較低、線路中可能有連續直流電壓、浪涌電流較小的場合。
②TVS 管的直流擊穿電壓應根據信號電壓峰值,按下式選擇:
VBRmin≥1.2USpeak
③當接地線較長、信號易受干擾時,可在TVS1、TVS2(左圖)或TVS2、TVS3(右圖)之間加接擊穿電壓大于100V 的TVS 管或玻璃放電管再接地,如下圖所示。

④當傳輸線中有公共接地線(如圖中虛線所示)時,采用“(1)不帶差模保護”的電路,可以對1 線、2 線、??分別進行保護。
4、復合保護電路

說明:
①可用于信號頻率/傳輸速率較高(≤10MHZ)的場合。整流橋若用快速恢復二極管構成,傳輸信號頻率/速率可達20MHz 以上。
②當線路中有連續直流電壓時,必須采用電路二。
③圖中所標元件型號適用于信號幅度≤6V。信號幅度更大時,要更換整流橋中所接元件型號(參照“兩級信號保護電路”關于TVS 管和半導體過壓保護器選擇的說明)。
④當接地線較長、信號易受干擾時,TVS1、TVS2 應選用擊穿電壓≥100V、且峰值脈沖功率更大的TVS 管,或采用電路三。
十、天饋防雷器
1、單級電路天饋防雷器

說明:
①可以同時傳送電源,保護效果較差,適用于天線不帶放大器或雖然帶放大器但耐沖擊能力較強的場合。
②同軸腔體和兩端的接頭是根據系統所用接頭類型、傳輸信號頻率范圍專門設計加工的。
③陶瓷氣體放電管一般選用通流容量 20kA 的,直流擊穿電壓主要根據所傳輸的信號功率大小選取,一般50W 以下用90V 的,傳輸功率越大,應選用直流擊穿電壓越高的放電管。
④將放電管裝入腔體后,用微波網絡分析儀測試信號頻率范圍內的駐波系數、插入損耗應滿足要求。
⑤在戶外使用時,腔體、接頭、放電管安裝孔都必須設計成防水的。
2、二級電路天饋防雷器

說明:
①保護效果好,殘壓低,可以同時傳送電源,適用于天線帶放大器或不帶放大器的場合。
②腔體和輸入、輸出接頭是根據系統所用接頭類型、傳輸信號頻率范圍專門設計加工的。
③陶瓷氣體放電管一般選用通流容量 20kA、直流擊穿電壓90V 的。
④TVS 管一般用1.5KE 系列的,擊穿電壓根據所傳輸的直流電壓或交流電壓峰值選取(VBRmin≥1.2UDC 或VBRmin≥1.2Up)。
⑤ C 是由紫銅片構成的平板電容器,平板間加聚四氟乙烯薄膜;L1、L3 是用漆包紫銅線繞成的空心電感,L2 可用100μH 左右的鐵心電感。
⑥將元件裝入腔體后,用微波網絡分析儀測試信號頻率范圍內的駐波系數、插入損耗應滿足要求。
⑦在戶外使用時,腔體、接頭和蓋板都必須設計成防水的。
3、三級電路天饋防雷器
說明:
①保護效果很好,殘壓低,可以同時傳送電源,適用于天線帶放大器或不帶放大器的場合。
②腔體和輸入、輸出接頭是根據系統所用接頭類型、傳輸信號頻率范圍專門設計加工的。
③陶瓷氣體放電管一般選用通流容量 20kA、直流擊穿電壓90V 的。
④壓敏電阻 RV 一般選用20D100K 型的。
⑤TVS 管一般用1.5KE 系列的,擊穿電壓根據所傳輸的直流電壓或交流電壓峰值選取(VBRmin≥1.2UDC 或VBRmin≥1.2Up)。
⑥C 是由紫銅片構成的平板電容器,平板間加聚四氟乙烯薄膜;L1、L4 是用漆包紫銅線繞成的空心電感,L2、L3 可用100μH 左右的鐵心電感。
⑦將元件裝入腔體后,用微波網絡分析儀測試信號頻率范圍內的駐波系數、插入損耗應滿足要求。
⑧在戶外使用時,腔體、接頭和蓋板都必須設計成防水的。
十一、防靜電保護器

說明:
① “電路一”響應時間最短,通流量較小,適用于不能接地的設備、部件或電路;
② “電路二”響應時間較短,通流量可大可小,適用于不能接地的設備、部件或電路;
③ “電路三”響應時間很短,通流量較大,適用于可以接地的設備、部件或電路;
④ “電路四”響應時間較短,通流量較小,適用于可以接地的設備、部件或電路;
⑤ 所用器件的擊穿電壓(壓敏電壓)應低于被保護設備、部件或電路所能承受的最高電壓,但要高于電路最高工作電壓,通流量根據可能感應的最大靜電荷量折算成的電流值選取。
在雷電的天氣里,我們要注意以下事項
雷雨天氣安全注意事項
城市當心雷電災害
“雷電季”到來,這些防雷知識需get
汛期出行,請帶好這份防雷秘籍
預防雷電常識
夏季防雷安全知識
雷雨天氣怎么防雷?
防雷電安全知識
雷電的特點及其危害
雷擊假死時的救護方法
防自然災害安全常識與防范應急措施
雨季安全生產注意事項
夏季安全常識防雷防電知識問答
雷擊事故的預防
雨天安全注意事項