目次
前言
IEC前言
1 范圍
2 定義
3 總體要求
4 試驗的一般條件
5 空章
6分類
7標志和說明
8 對觸及帶電部件的防護
9 電動器具的啟動
10 輸入功率和電流
11 發熱
12 空章
13 工作溫度下的泄漏電流和電氣強度
14 空章
15 耐潮濕
16 泄漏電流和電氣強度
17 變壓器和相關電路的過載保護
18耐久性
19 非正常工作
20 穩定性和機械危險
21 機械強度
22 結構
23 內部布線
24 元件
25 電源連接和外部軟線
26 外部導線用接線端子
27 接地措施
28 螺釘和連接
29 爬電距離、電氣間隙和穿通絕緣距離
30 耐熱、耐燃和耐漏電起痕
31 防銹
32 輻射、毒性和類似危險
圖101
附錄
前言
GB 4706 本部分全部技術內容為強制性。
本部分等同采用IEC 60335-2-30:1996及其第一增補件(1999),因此,本部分應與GB4706.1-1998(等效采用IEC 60335-1:1991及其第一修正件)配合使用。
本部分將IEC 60335-2-30:1996的第一增補件(1999)直接納入正文中,并將改動的內容在頁邊空白處用垂直雙線(||)標識。
本部分是對GB 4706.2-1996的修訂,原標準為等同采用IEC 60335-2-30:1990編制的,與GB 4706.1-1992配合使用。由于GB 4706.1-1992修訂為GB 4706.1-1998,配合使用關系不能成立,因此,此次修訂屬于換版修訂,技術內容及編排格式都有變化。
本部分由中國輕工業聯合會提出。
本部分由全國家用電器標準化技術委員會歸口。
本部分起草單位:中國家用電器研究院、先鋒電器集團有限公司、珠海格力小家電有限公司、寧波市產品質量監督檢驗所、寧波辰佳電器有限公司、寧波和本電器有限公司。
本部分主要起草人:馬德軍、羅平、姚國寧、鮑俊、陳龍江、熊欣。
本部分自實施之日起,代替GB 4706.23-1996。
IEC前言
1)國際電工委員會(IEC)是由所有國家的電工委員會(IEC國家委員會)組成的世界范圍內的標準化組織。IEC的宗旨就是促進各國在電氣和電子標準化領域的全面合作。鑒于以上的目的并考慮到其他活動的需要,IEC還出版國際標準。整個制定工作由技術委員會來完成。任何對此技術問題特別感興趣的IEC國家委員會都可以參加制定工作。根據IEC和ISO兩組織達成的協議,它們在工作上有著密切的協作關系。
2)IEC有關技術問題的決議或協議是由所有對此問題特別感興趣的國家委員會參加的技術委員會制定的,并盡可能表述對所涉及的問題在國際上的一致意見。
3)這些決議或協議以標準、技術報告或規則的形式供國際上使用,并在此意義上為各國委員會所承認。
4)為了促進國際上的統一,IEC希望各國委員會在本國情況允許的范圍內采用IEC標準的內容作為他們國家的標準。IEC與相應的國家標準或地區標準有差異的,應盡可能在本國標準中明確地指出。
5)必須注意到該國際標準可能會涉及到專利權問題。IEC不對識別部分或全部專利權承擔責任。
6)IEC規定了表示其認可的無標志程序,但并不表示對某一設備聲稱符合某一標準承擔責任。
本標準是由IEC第61技術委員會“家用和類似用途的電器的安全”制定的。
本標準組成了IEC 60335-2-30的第三版并取代了1990年的第二版及其增補件。
本標準是以下述文件為基礎的。

有關本標準表決情況的更進一步的材料可從上表的表決報告中查找。
本標準要與IEC 60335-1的最新版本及其增補件一起配合使用。本標準是以IEC 60335-1的第三版(1991)為基礎的。
為了轉化成“室內加熱強的安全要求”這一IEC標準,本內容對IEC 60335-1的對應條款做了補充和修改。
如果IEC 60335-1中的某特殊條款在“第二部分”中沒有提及,則IEC 60335-1中的該條款可以合理地使用。如果在本標準中標明“增加”,“修改”,或“代替”,則IEC 60335-1中對應的內容都要做相應的修改。
注:在本標準中:
1) 采用下列印刷體:
——正文要求:印刷體;
——試驗規范:斜體;
——注釋內容:小寫印刷體。
在第二條中對黑體字給出了定義。當IEC 60335-1的定義涉及到形容詞時,形容詞和所修飾的名詞也要用黑體字。
2)對于IEC 60335-1中增加的分條款應從101開始編號。IEC 60335-1中增加的附錄應從AA,BB等開始編號。
在某些國家中存在下列差異:
——2.105:防火保護罩的緊鄰四周表面擴大到50mm(奧地利,德國和英國)。
——7.1:除了高位安裝的加熱器外,其余加熱器應標有防止覆蓋的警告內容(挪威)。
——7.1:除了固定連接的加熱器外,其余加熱器應標有距可燃表面的最小距離(挪威)。
——7.1:器具不要求標注:“不要覆蓋”(美國)。
——7.12:在加熱器上應標有某些規定的說明(挪威和美國)
——第11章:試驗方法是不同的(美國)。
——11.8:對于其他與試驗探棒觸及的金屬表面,限值為95K(澳大利亞)。
——11.8:對于所有的固定式加熱器,除了高位安裝的以外,對于金屬出氣口柵格及其四周表面,限值為115K(法國)。
——11.8:對于在住宅的衛生間,托兒所或課后中心使用的加熱器,與圖1所示試驗指觸及的表面溫度不應超過60℃(瑞典)。
——第19章:本章的試驗使用不同的材料、試驗方法和試驗規則來完成(加拿大和美國)。
——19.103:除了安裝在高位的可見發光的輻射式加熱器外,其余應承受本條的試驗(瑞典)。
——20.1:試驗是不同的(美國)。
——22.7:試驗是不同的(美國)。
——22.24:試驗是不同的(美國)。
——22.101:要求是不同的(加拿大和美國)。
——22.103:要求是不同的(加拿大和美國)。
——22.104:要求是不同的(加拿大和美國)。
——22.105:要求是不同的(加拿大和美國)。
——22.106:要求是不同的(美國)。
——22.109:要求是不同的(美國)。
——24.1.2:裝在設計在墻上或靠墻安裝的風扇型和固定式加熱器上防止發熱元件過熱的熱斷路器,除了在高位安裝的以外,其余應是非自復位型的(瑞典)。
——24.1.3:工作循環次數是6 000次(美國)。
——25.3:固定式器具應是永久連接到固定布線上的器具(法國)。
1 范圍
GB 4706.1-1998的該章用下述內容代替:
本部分涉及家用和類似用途的室內加熱器的安全,單相器具的額定電壓不超過250V;其他器具的額定電壓不超過480V。
注1:屬于本部分范圍的器具事例為:
——輻射式加熱器;
——板狀加熱器;
——充液式散熱器;
——風扇式加熱器;
——對流式加熱器;
——管狀加熱器;
——花房中使用的加熱器。
不作為一般家用,但對公眾仍存在危險的器具,例如在商店、輕工業和農場中由不熟悉用電知識的人使用的器具也在本部分的范圍之內。
就實際情況而言,本部分涉及器具出現的一般危險,而這些危險是在家中和周圍環境中的所有人員都能遇到的。
本部分通常沒有考慮下述情況:
——由無人照管的兒童和老、幼、病、殘等人員使用的器具;
——由兒童玩耍的器具。
注2:提請注意下述情況:
——對于準備在車輛、船舶或飛機上使用的器具可能需要增加附加要求;
——對于準備在熱帶國家使用的器具可能需要特殊要求;
——許多國家的衛生部門、勞動保護部門、水利部門和類似部門還制定有附加要求;
——對于準備在有可燃性灰塵,例如馬廄或畜舍使用的器具,可能需要附加要求。
注3:本部分不適用于:
——準備用在特殊場所的器具,如:存在有腐蝕性和爆炸性氣體的場所(灰塵、蒸汽或燃氣);
——在空調器內部安裝的加熱器(IEC 60335-2-40);
——干衣器和毛巾架(IEC 60335-2-43);
——桑拿加熱器(IEC 60335-2-53);
——儲熱式室內加熱器(IEC 60335-2-61);
——動物繁殖和飼養加熱器(IEC 60335-2-71);
——薄層柔性加熱元件(IEC 60335-2-96);
——發熱地毯和類似柔性加熱組件;
——中央供熱系統;
——加熱電纜(IEC 60800)*。
*IEC 60800:1992,用于舒適性加熱和防止結冰的額定電壓為300V/500V的加熱軟纜。
2 定義
GB 4706.1-1998的該章除下述外,均適用:
2.2.9 該條用下述內容代替:
正常工作 normal operation
加熱器按照使用說明書的規定工作。
2.101
可見發光的輻射式加熱器 visibly glowing radiant heater
至少裝有一個可見發光加熱元件的加熱器。
2.102
風扇式加熱器 fan heater
用風扇使通過加熱器的氣流加速流動的加熱器。
2.103
高位安裝的加熱器 heater for mounting at high level
設計固定到離地高度至少1.8m的加熱器。
2.104
防火保護罩 fireguard
可見發光的輻射式加熱器的部分外殼。通常通過它可以看到發熱元件并且設計用以防止直接接觸發熱元件。
2.105
四周表面 immediate surround
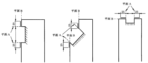
在出氣口柵格或防火保護罩邊緣25mm以內的任何表面。
注:有關該距離測定的詳細方法見圖101。
3 總體要求
GB 4706.1-1998的該章,均適用。
4 試驗的一般條件
GB 4706.1-1998的該章除下述內容外,均適用。
4.2 該條增加下述內容:
注:對于設計彼此鄰近安裝的加熱器,要備足試樣,以確定在試驗時的試驗裝置上相應鄰近加熱器對試驗結果的影響。
4.3 該條用下述內容代替:
用于第19章試驗的器具同樣也用于22.24的試驗。22.24的試驗在第29章的試驗后進行。
4.5 該條增加下述內容:
除非另有規定,否則,加熱器要按照使用說明書工作。
4.6 該條增加下述內容:
把對室溫敏感的控溫器(如置于加熱器進氣口處的敏感元件)短路。如果控溫器可以設置為不工作,則其不短路,除非另有規定。
注:對于電子控制器,可能需要使敏感元件設置為不工作以代替控溫器的短路。
4.10 該條增加下述內容:
設計彼此鄰近安裝的加熱器,按照制造廠的說明書來安裝。
該章增加下述條款:
4.101 對于設計作為便攜和固定式兩用器具的加熱器,則應經受適用于這兩種形式的試驗。
設計固定到墻壁上并帶有電源線和插頭的器具,可按固定式器具或便攜式器具進行試驗,取其較不利者。但是,當有可靠的措施將加熱器緊固在墻上并提供有安裝說明書時,則加熱器僅按固定式器具進行試驗。
注:如果沒有進一步的措施來防止加熱器被無意抬離墻壁,則鍵、孔、槽、鉤和類似方式均不能認為是可將加熱器緊固在墻壁上的可靠措施。
4.102 如果加熱器是兩種或兩種以上加熱器的組合,則需經受適合于每種加熱器的相關試驗,除非某一型式的試驗包括了其他型式的試驗。
墻壁安裝式加熱器要按照高位安裝式加熱器和非高位安裝式加熱器進行試驗,除非安裝說明書規定了加熱器必須在某一高度上安裝。
5 空章
6 分類
GB 4706.1-1998的該章除下述內容外,均適用。
6.2 該條增加下述內容:
設計用于花房或建筑施工場所的加熱器至少應是IPX4型器具。
7 標志和說明
GB 4706.1-1998的該章除下述內容外,均適用。
7.1 該條增加下述內容:
設計由用戶來充液的加熱器應標有最高和最低液位。
除了高位安裝和可見發光的輻射式加熱器外,其余的加熱器應標有下述內容,除非其結構能夠保證其不被覆蓋:
禁止覆蓋
對于設計用于干衣并符合IEC 60335-2-43的加熱器不要求該標志。
在運輸或儲藏時設計拆掉防火保護罩的加熱器應標有:“加熱器的防火保護罩未安裝好,加熱器不得工作”的內容。
7.12 該條增加下述內容:
使用說明書應規定加熱器不得直接置于電源插座下面。
對于帶有可與易觸及的玻璃板直接接觸的發熱元件的加熱器,其使用說明書應規定加熱器在玻璃損壞時不得使用。
對于可見發光的輻射式加熱器,除了高位安裝外,使用說明書應包括下述內容:
因為加熱器的覆蓋或不正確的放置會引起火災,故不得利用帶有可自動接通電源的程序器、定時器或任何其他裝置來使用本加熱器。
對于帶有不用工具就可部分拆掉防火保護罩的可見發光的輻射式加熱器,其使用說明書應包括以下內容:
本加熱器的防火保護罩是用于防止直接接觸發熱元件的,當加熱器使用時,防火保護罩必須安裝在位。
便攜式加熱器的使用說明書應包括下述內容:
在浴缸、噴頭或游泳池的四周不得使用本加熱器。
7.12.1 該條增加下述內容:
對于固定式可見發光的輻射式加熱器,說明書應包括靠近窗簾和其他可燃材料安裝時可能存在危險的警告。
如果適用,說明書應包括清潔可見發光輻射式加熱器的反射器的內容。
對于燃油加熱器,應提供更換燈泡的說明。
對于高位安裝的加熱器,說明書應規定加熱器必須安裝在離地至少1.8m的高度。
可能用于浴室的固定式加熱器,說明書應規定加熱器的安裝要使得在浴缸內或淋浴區的人不能夠觸及到開關和其他控制器。
如果加熱器的滾輪或支腳是單獨提供的,則說明書應規定前述部件如何固定到加熱器上。
設計安裝在衣櫥中的加熱器說明書應給出在衣櫉中正確安裝的詳細內容。
充油式散熱器的說明書應包括下述內容:
本加熱器要充灌定量的特殊油類。如果在修理時需要打開盛油容器,則該項工作僅能由制造廠來完成。如果出現泄漏,應與制造廠的售后服務代理接洽。
當廢棄器具時,要符合油類排放的有關規定。
7.14 該條增加下述內容:
對于高位安裝的加熱器,應能從1m遠的距離看清開關的不同檔位。
在加熱器安裝后,有關覆蓋的標志應是可視的。字體的高度至少應是3mm。
涉及可拆防火保護罩的標志應在加熱器安裝后,當防火保護罩不在位時可視。
8 對觸及帶電部件的防護
GB 4706.1-1998的該章除下述內容外,均適用。
8.1.1 該條增加下述內容:
如果需要借助工具才可拆掉可拆防火保護罩,則不拆防火保護罩。說明書中應說明在清洗反射器前插頭必須從電源插座中拔出或加熱器裝有一個提供觸點間隙至少3mm的全極斷開開關。
8.1.3 GB 4706.1-1998的該條,不適用。
9 電動器具的啟動
GB 4706.1-1998的該章,不適用。
10 輸入功率和電流
GB 4706.1-1998的該章,均適用。
11 發熱
GB 4706.1-1998的該章除下述內容外,均適用。
11.2 該條用下述內容代替:
嵌入式加熱器要盡可能地靠近底板或天花板安裝,除非說明書另有規定。
其他加熱器要按要求放置在測試角內:
——便攜式加熱器要使其后背離某一邊壁150mm并遠離其他邊壁;
——其他通常放置在地板上使用的加熱器要使其后背盡可能緊靠某一邊壁并遠離其他邊壁。但是,以幾個方向散發熱量的圓形和類似加熱器要放置到遠離某一邊壁300mm并遠離其他邊壁;
——如果帶有PTC發熱元件的加熱器遠離邊壁放置會導致較高的溫度,則將其遠離邊壁放置;
注1:如果加熱器的后背不明顯,則加熱器要朝向最不利的位置。
注2:對于圓形和類似加熱器,距離的測量在邊壁和加熱器的外殼之間進行。
——高位安裝的加熱器要固定到某一面邊壁上并盡可能地靠近其他的邊壁和天花板,除非說明書另有規定;
——其他墻壁安裝式加熱器要固定到某一面邊壁上并盡可能地靠近其他的邊壁和底板,除非說明書另有規定。將一個深度為200mm,長度足以超過加熱器的擱板固定在加熱器上方。擱板要盡可能地靠近加熱器,除非說明書另有規定;
——天花板安裝的加熱器要固定到天花板上并盡可能地靠近邊壁,除非說明書另有規定。
注3:天花板要覆蓋有絕熱系統約3.2m2•K/W的絕緣材料。
約20mm厚的涂黑膠合板用于測試角,擱板和嵌入式加熱器的安裝。
如果固定式加熱器在地面上有一個開口,則將一塊20mm厚的氈墊放置在地板上并就其結構盡可能地將氈墊平推入開口。如果提供有保護罩或開口太小不能推入氈墊時,則氈墊應盡可能地靠近開口。
注4:氈墊的目的是模擬地毯可能阻礙氣流的情況。
設計凹入地板的具有出氣口柵格的加熱器,窗棱或類似位置也要在出氣口覆蓋有19.103規定的氈條時進行試驗。氈條要以與出氣柵格最長邊成直角的角度置放。氈條要依次施放到柵格的每一半,最后放滿整個柵格。
11.3 該條增加下述內容:
氈墊的溫升要用熱電偶來測量,熱電偶要連接到直徑為15mm,厚度為1mm的銅或黃銅制成的涂黑小圓片上,并放置到氈墊的表面上。
11.4 該條增加下述內容:
如果裝有電動機、變壓器或電子電路的器具溫升超過規定的限值,并且輸入功率小于額定輸入功率,則器具在1.06倍的額定電壓下供電時重復試驗。
11.6 該條用下述內容代替:
聯合式器具要按照電熱器具工作。
11.7 該條用下述內容代替:
加熱器要工作至穩態。
11.8 該條內容作下述修改:
在表3中,用下述內容代替“普通木材”條款:

該條增加下述內容:
當器具在1.15倍的額定輸入功率下工作時,電動機、變壓器或電子電路元件和直接受其影響的部分的溫升可能會超過規定的限值。
對于充油式散熱器,“與閃點為t(℃)的油接觸的部件”的t—50溫升項目不進行測量。但是,非通風散熱器儲液容器外表面的溫升要進行測量。溫升應至少比液體的沸點低50K。
注:即使容器位于器具的內部,也要進行測量。
加熱器的表面溫升不應超過表101所示的規定值。
該條增加下面表格:
表101 表面的最高溫升值

表101(續)

設計固定在凳子下的加熱器,如果與試驗桿觸及,則其溫升不應超過表3中僅能短時握持部分的規定限值。
12 空章
13 工作溫度下的泄漏電流和電氣強度
GB 4706.1-1998的該章,均適用。
14 空章
15 耐潮濕
GB 4706.1-1998的該章,均適用。
16 泄漏電流和電氣強度
GB 4706.1-1998的該章,均適用。
17 變壓器和相關電路的過載保護
GB 4706.1-1998的該章,均適用。
18 耐久性
GB 4706.1-1998的該章,不適用。
19 非正常工作
GB 4706.1-1998的該章除下述內容外,均適用:
19.1 該條內容作下述修改:
用19.6,19.11,19.12和19.101~19.114的試驗來代替規定的試驗,以確定加熱器是否合格。
19.13 該條增加下述內容:
在19.106的試驗期間,電動機繞組的溫升應不超過表6的規定值。
該章增加下述條款:
19.101 加熱器在第11章規定的條件下工作,但是,輸入功率為1.24倍的額定輸入功率。
在第11章試驗期間工作的所有熱控制器均要短路。
注:為進行22.7的試驗,需測量充液式散熱器的壓力。
19.102 以幾個方向散熱的圓形或類似的便攜式加熱器要盡可能地靠近試驗角的某一邊壁放置,并在1.24倍的額定輸入功率下工作。
注:在第11章試驗期間工作的熱控制器允許動作。
19.103 除了下述的加熱器外,其余要在器具覆蓋的情況下,在第11章規定的條件下工作。
——除了設計在衣櫥中高位安裝的加熱器外的高位安裝的加熱器;
——可見發光的輻射式加熱器;
——便攜式風扇加熱器。
覆蓋物是寬度為100mm,鑲有單層紡織材料襯里的氈條。氈條的單位面積質量為4kg/m
2±0.4 kg/m
2,厚度為25mm。紡織材料襯里是由干燥條件下單位面積質量為140 g/m
2~175g/m
2的預洗過的雙層卷邊棉布制成。
熱電偶要連接在銅或黃銅制成的涂黑小圓片背后,該小圓片的直徑為15mm,厚為1mm。小圓片要以50mm為間隔放置在紡織材料與條之間,并位于帶的垂直中心線上。小圓片要固定以防其陷入氈里。
氈條帶有紡織材料襯里的一面要緊貼到加熱器上,以覆蓋加熱器的頂部和落地覆蓋整個前表面。如果加熱器的結構是離墻放置的,或如果加熱器與墻固定時的距離超過30mm,而且任何兩個固定點或定位架之間或在這些點和加熱器的邊緣之間的距離超過100mm,則要把加熱器的背面完全落地覆蓋。在其他情況下,加熱器的覆蓋背面約為加熱器從頂算起高度的五分之一處。
把氈條依次蓋到加熱器的每一半上,然后整個覆蓋加熱器。
在試驗期間,氈條的溫升不應超過150K,但在試驗的第一個小時內允許有25K的過沖。
注1:在第11章試驗期間工作的控溫器允許動作。
注2:為進行22.7的試驗,需測量充液式散熱器的壓力。
設計安裝在衣櫥內的加熱器(包括高位安裝的加熱器)應在任何自復位熱脫扣器短路的情況下滿足試驗。
19.104 設計嵌入地板、窗棱或類似位置安裝并帶有出氣口的嵌入式加熱器要在柵格覆蓋的情況下,按第11章規定的條件工作。在第11章試驗期間工作的熱控制器要短路。
在試驗期間,氈條的溫升不應超過150K,但在試驗的第一個小時內允許有25K的過沖。
19.105 帶有設計由用戶充灌的液體容器的加熱器要將容器排空,在第11章規定的條件下工作。
注:在第11章試驗期間工作的控溫器允許動作。
19.106 風扇式加熱器和其他裝有電動機的其他加熱器要按第11章的規定條件工作。但是,電動機的轉子要鎖住并且加熱器要在額定電壓下供電。
注:在第11章試驗期間工作的熱控制器允許動作。
19.107 外殼基本上是非金屬材料的風扇式加熱器要在第11章規定的條件下工作。除了電動機和發熱元件是單獨供電的外,在第11章試驗期間工作的熱控制器要短路。
當達到穩態時,要降低施加在電動機上的電壓,直到電動機的運轉速度恰好足以防止熱斷路器動作,發熱元件上施加的電壓保持在11.4所用的電壓值。
在該種條件下,加熱器再次工作直至達到穩態或1h,取其較長者。
在此之后,進一步限制氣流以證實熱斷路器是否動作。
注:電動機的電壓降低可以通過下述步驟來測定。每次將電壓降低5%,電動機在該條件下工作5min。重復該程序直到斷路器動作。然后,電壓升高5%,這個電壓就是供試驗用的減少后的電壓。
19.108 使攜式風扇加熱器要在第11章規定的條件下工作。
將一矩形紙片在不施加任何附加力的情況下放置在進氣口處。紙片的面積足以把進氣口覆蓋,并且在任何方向上移動紙片以便將氣流限制到一個最不利的條件。
紙片的質量為72g/m
2±2 g/m
2,破裂指數為ISO 2758規定的3.7kPa m
2/g。
試驗進行4h。
如果外殼有一個以上的進氣口表面,則要依次覆蓋這些表面。
注1:加熱器同一側的表面認為是一個表面。
注2:通常通過使紙片置于某一位置以避免熱斷路器動作來獲得最不利的條件。
注3:當向下移動紙片時,一定要注意確保支撐表面不會限制紙片的運動。
注4:在第11章試驗期間工作的熱控制器允許動作。
19.109 便攜式風扇加熱器要按照第11章規定的條件工作,但其放置要使得氣流直接對著試驗角的某一邊壁。然后,將加熱器盡可能近地靠近邊壁而使熱斷路器不動作。在第11章試驗期間動作的熱控制器要短路。
邊壁的溫升應不超過150K。
19.110 便攜式可見發光的輻射式加熱器要按照第11章規定的條件工作,但其放置要使得輻射直接對著試驗角的某一邊壁。加熱器要離邊壁500mm放置并且該距離逐漸增加以測得最高的邊壁溫度。
邊壁的溫升不應超過70K。
注:該距離要在邊壁和防火保護罩最近的部分之間進行測量。
19.111 可見發光的輻射式加熱器,除了高位安裝以外,要在第11章規定的條件和額定輸入功率下工作。
當達到穩態時,將一塊干燥的寬為100mm,單位質量為130 g/m
2~165 g/m
2的棉織法蘭絨布緊緊地裹在防火保護罩的中心部分。絨布從頂到底緊裹防火保護罩,或當防火保護罩處在水平面時,則從后向前裹緊。
棉織法蘭絨布在10s內應不冒煙或點燃。
注:“冒煙”是指沒有火焰的緩慢燃燒。不冒煙的變黑可忽略不計。如果已開始冒煙,則會在材料上燒出洞來,洞的邊緣也會發紅。
19.112 便攜式加熱器要按第11章的規定進行工作,但要放置在蓋有兩層單位質量約為40 g/m
2的棉紗布的軟木表面上。
注1:在第11章試驗期間工作的熱控器允許動作。
然后,將加熱器以最不利的位置翻倒。
棉紗布和軟木表面應不冒煙或點燃。
充油式散熱器的表面溫度至少應比油的沸點低40K。應不出現容器變形,油液泄漏或冒出火焰。
注2:為進行22.7的試驗,需測量充油式散熱器的壓力。
設計放置在壁爐內的燃油加熱器不經受該試驗。
注3:19.13的試驗不適用。
19.113 對于外殼基本上是非金屬材料的風扇式加熱器,除了使其所有的自復位熱斷路器和在第11章試驗期間動作的控制器處于不工作狀態和風扇電動機堵轉外,按第11章的規定工作。
注:電動機保護器不應短路。
19.114 將一定量的油從充油式散熱器的容器內排出直到容器內的油高于發熱元件大約10mm左右,然后,重新密封容器。
然后,器具在第11章規定的條件下,在額定輸入功率下工作。
容器的表面溫度應至少比油的沸點低40K。
注:為了避免出現危險情況,當溫度超過限值時,將試驗中止。
20 穩定性和機械危險
GB 4706.1-1998的該章除下述內容外,均適用:
20.1 該條用下述內容代替:
便攜式加熱器應有足夠的穩定性。
通過下述試驗來確定其是否合格。
裝有器具插口的加熱器要裝配導線組件。
將加熱器放置在
——與水平面成15°的正常使用中最不利的位置;
——水平面上,以最不利的水平方向在加熱器的頂部施加5N的力。
加熱器應不翻倒。
注:可以采取適當的方式防止加熱器滑動。
21 機械強度
GB 4706.1-1998的該章除下述內容外,均適用:
該章增加下述內容:
應通過21.101和21.102的試驗來確定其是否合格。
對于發熱元件直接與玻璃面板接觸的加熱器,應使用彈簧沖擊器對其面板進行沖擊,沖擊的能量為2.00J±0.05J。
該章增加下述條款:
21.101 可見發光的輻射式加熱器,除了高位安裝的以外,其余的放置應使防火保護罩的中心部分處于水平位置。
將質量為5kg,直徑為100mm的平底重物放在防火保護罩的中心部位1min。
在試驗后,防火保護罩應沒有明顯的永久變形。
21.102 對于一部分固定到墻上或天花板上,另一部分鉸接其上,其活動受到鏈條或類似裝置限制的加熱器,要按照說明書固定。然后,讓鉸接部分在自身的重量下從正常工作位置上跌落。試驗進行5次。
在試驗后,加熱器應不損壞到影響其符合本標準的程度;特別是,不應影響其符合8.1和29.1。
21.103 天花板安裝的板狀加熱器的懸掛裝置應有足夠的強度。
通過下述試驗來確定其是否合格。
器具要按照說明書安裝。將質量4倍于器具質量的負載懸掛在面板的中心1h。
注:如果懸掛裝置是可調的,則試驗要在裝置完全伸展的情況下進行。
如果懸掛裝置是剛性的,則在每一方向上對面板施加2.5N•m的扭矩1min。
懸掛裝置應不顯示出永久變形。
22 結構
GB 4706.1-1998的該章除下述內容外,均適用:
22.7 該條用下述內容代替:
裝有液體或氣體的加熱器,其結構應能承受在使用中出現的壓力。
通過下述試驗來確定其是否合格。
器具要承受兩倍于19.101,19.103或19.112試驗期間測得的壓力。
應沒有液體或氣體的泄漏。
22.17 該條增加下述內容:
如果器具在沒有滾輪或滑輪時符合第19章的試驗,則本要求不適用于滾輪或滑輪。
22.24 該條用下述內容代替:
裸露的發熱元件的支撐應使得在發熱元件破裂或移位的情況下,發熱導體不能夠接觸到易觸及的金屬部件或掉出加熱器體外。
裸露發熱導體以最不利的位置被切割后,通過視檢來確定其是否合格。
該章增加下述條款:
22.101 除了高位安裝的加熱器外,其余應加以保護以防與發熱元件接觸。可見發光的輻射式加熱器的防火保護罩應能夠防止可燃材料的無意點燃。
通過視檢及對于可見發光的輻射式加熱器進行19.111的試驗來確定其是否合格。對于其他加熱器,施加圖3的試驗棒,并且不應觸及到發熱元件。
22.102 對于設計由螺釘或其他永久性固定裝置固定的加熱器,其結構應使得固定方法明顯或在說明書中清楚地指示。
通過視檢來確定其是否合格。
22.103 裝有符合22.101條要求的防火保護罩,應沒有超過下述尺寸的開孔:
——長為126mm,寬為12mm,或
——長為53mm,寬為20mm。
這些尺寸也適用于防火保護罩和四周鄰近表面間的距離。但是,尺寸小于5mm的孔眼可忽略不計。
通過測量來確定其是否合格。如果有必要,向防火保護罩的任何部分用圖1所示的試驗指以直線方向施加不超過5N的力來確定是否合格。
22.104 防火保護罩要緊固在加熱器上,以使防火保護罩不使用工具就不可能完全拆下來。
通過視檢來確定其是否合格。
22.105 防火保護罩的總開口面積應不少于防火保護罩面積的50%。
通過測量來確定其是否合格。
22.106 與發熱元件直接接觸的易觸及玻璃面板應能耐受熱沖擊。
通過下述試驗來確定其是否合格。
加熱器在1.15倍的額定輸入功率下工作,直至達到穩態。
通過一直徑為5mm的管子將1L溫度為15℃±5℃的水以約10mL/s速率直接倒向面板的中心部分。
面板應不損壞。
22.107 便攜式加熱器的結構應使得其能防止異物從器具的底面進入而引起的危險。
通過視檢來確定其是否合格。
注:如果通過孔眼測得的帶電部件和支撐表面間的距離至少為6mm時,就能認為器具滿足了本要求。如果器具裝有支腳,則對于設計放置在桌面上的器具,該距離增加到10mm;對于放置在地面上的器具,該距離增加到20mm。
22.108 設計固定到墻壁或天花板上的可見發光的輻射式加熱器,其結構應使得在加熱器安裝后,不使用工具就不能改變輻射的方向。
通過視檢和手動試驗來確定其是否合格。
注:如果在說明書中規定了限制條件,則允許輻射方向的有限改變。
22.109 可見發光的輻射式加熱器,除了高位安裝的以外,不應裝有可以自動接通電源的溫控器、定時器或類似裝置,除非至少有一個發熱元件已是可見發光的。
通過視檢來確定其是否合格。
22.110在斷開位置由開關斷開電源時不應依賴電子元件。
通過視檢來確定其是否合格。
23內部布線
GB4706.1-1998的該章,均適用。
24 元件
GB 4706.1-1998的該章除下述內容外,均適用:
24.1.2 該條增加下述內容:
在第11章試驗期間動作,將表面溫升限制到85K的充油式散熱器的控溫器,其工作循環次數要增加到100 000次。
對于自復位熱斷路器,其工作循環次數要增加到10 000次。
對于非自復位的熱斷路器,其工作循環次數要增加到1 000次。
對于在19.112的試驗期間工作的非自復位保護裝置,工作的循環次數為300次。
24.1.3該條增加下述內容:
對于在19.112試驗期間工作的開關,工作的循環次數為300次。
24.101 裝在充油式散熱器內用以滿足19.114要求的裝置應是非自復位型的。
通過視檢來確定其是否合格。
25 電源連接和外部軟線
GB 4706.1-1998的該章除下述內容外,均適用:
25.7 該條增加下述內容:
設計用于花房內使用的便攜式加熱器的電源線應不輕于普通的氯丁橡膠護套軟線(IEC 60245的57號線)。
設計用于建筑場合使用的加熱器的電源線應不輕于重型的氯丁橡膠護套軟線(IEC 60245的65號線)。
26 外部導線用接線端子
GB 4706.1-1998的該章,均適用。
27 接地措施
GB 4706.1-1998的該章,均適用。
28 螺釘和連接
GB 4706.1-1998的該章,均適用。
29 爬電距離、電氣間隙和穿通絕緣距離
GB 4706.1-1998的該章,均適用。
30 耐熱、耐燃和耐漏電起痕
GB 4706.1-1998的該章除下述內容外,均適用:
30.1 該條增加下述內容:
對于便攜式風扇加熱器,不考慮在第19章的試驗期間測得的溫升。
30.2.1 該條增加下述內容:
在外殼上進行附錄K的650℃的灼熱絲試驗。
30.2.2 該條內容不適用。
該章增加下述條款:
30.101 基本上由非金屬材料構成的風扇式加熱器的外殼應能耐燃。
通過視檢和使器具的外殼承受附錄M的針焰試驗來確定其是否合格。
根據IEC 60707分類為FV-0或FV-1的外殼材料不進行針焰試驗。提交進行IEC 60707試驗的材料厚度不應厚于相關部分的厚度。
31 防銹
GB 4706.1-1998的該章,均適用。
32 輻射、毒性和類似危險
GB 4706.1-1998的該章,均適用。
尺寸單位為毫米

圖101a

圖101b

圖101c
圖101 出氣口柵格或防火保護罩四周鄰近表面的確定

圖101d

圖101e
圖101(續)
附錄
GB 4706.1-1998的附錄除下述內容外,均適用:
附錄A
?。ㄒ幏缎愿戒洠?BR> 引用標準
該附錄增加下述內容:
ISO 2758:1983 紙——破裂強度的測定