某化工廠催化劑生產廢水含有大量NO3--N,單股廢水NO3--N質量濃度達到1350mg/L,影響了全廠綜合污水處理場正常運行。車間采用厭氧流化床生物反應器進行脫NO3--N預處理,實際運行結果表明,該工藝對高濃度NO3--N廢水具有良好的去除效果,NO3--N去除率達90%以上,出水水質穩定,可滿足綜合污水處理場接收要求。同時,工程采用高濃度廢堿液作為碳源,含氨廢水作為氮源,節約藥劑投加成本,降低了裝置運行費用。
隨著GB31570—2015《石油煉制工業污染物排放標準》和GB31571—2015《石油化學工業污染物排放標準》的出臺,開始對企業排口總氮濃度提出了要求,如何處理氨氮外其他形態含氮廢水成為化工企業迫切需要解決的問題之一。
南京某化工廠催化劑生產過程中產生大量含硝酸根沖洗廢水,硝態氮(NO3--N)質量濃度可達1350mg/L,且水量波動大,對后續生化系統造成嚴重沖擊。
企業借鑒流化床和移動床處理含氮廢水研究與經驗,選擇厭氧流化床生物脫氮工藝處理高濃度NO3--N廢水,通過載體提高反硝化菌濃度,并通過流化床反應器強化傳質和產物釋放,極大提高了反硝化脫氮效率,經過中試取得較好處理效果,然后展開工程化應用。
1、廢水水量水質
高濃度NO3--N廢水主要來自企業的催化劑生產廢水,根據廢水中硝酸根含量,又選擇含有大量有機物的廢堿液補充碳源,含氨廢水作為氮營養源。具體水質、水量見表1。
表1廢水水量及主要水質參數

根據表1水量統計,混合后廢水總量為170m3/h,考慮間斷水量、不可預見量和設計余量等因素,確定處理裝置的建設規模為200m3/h。出水水質根據中試情況,按下列指標進行考核,設計進出水水質指標見表2。
表2設計進出水水質指標

2、工藝流程
本著節省占地和投資的原則,根據廢水實際情況,企業選擇了以厭氧流化床生物脫氮反應器為核心的處理工藝,工藝路線為廢水緩沖池→營養調節池→pH值調節池→厭氧流化床反應器→出水監控池的。其主要工藝流程見圖1。

圖1工藝流程
由于生產裝置排出的催化劑廢水、廢堿液、含氨廢水的為間斷進水,各股來水分別進入緩沖池進行調節和儲存,再由泵提升至營養調節池。營養調節池用來對各股來水進行均質與調節,并對混合后的廢水碳、氮、磷質量比進行調整。
調整碳、氮、磷質量比的物質主要為廢堿液、含氨廢水及磷酸二氫鈉,如果產生廢堿液的生產裝置停車,則采用在營養調節池中添加甲醇供給碳源。營養調節池出水進入中和池,中和池用來中和各股來水的pH值,并將混合后的廢水pH值控制在4左右,由于引入堿性較強的廢堿液做碳源,需要投加硫酸對廢水pH值進一步調整。
廢水經營養物質調節、pH值調節后進入3套并聯的厭氧流化床生物反應器進行高效生物反硝化反應。反硝化出水通過頂部溢流堰自流進入出水監控池,出水監控池中設有NO3--N和pH值監測儀表,監測合格后通過提升泵送至綜合污水處理場進一步處理達標排放。
3、主要處理構筑物及設備參數
3.1厭氧流化床生物反應器
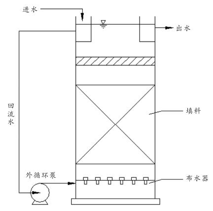
厭氧流化床生物反應器利用生物反硝化反應去除污水中的硝酸根。厭氧流化床生物反應器包括進水分配系統、回流系統、出水堰以及監測系統,結構見圖2。

圖2厭氧流化床生物反應器結構
廢水首先進入厭氧流化床反應器上部的溢流槽,與反應器出水進行混合,再通過反應器外循環泵回流到反應器的底部。反應器進水pH值控制在4.0左右,可中和反硝化產生的大量堿度,使反應器內的pH值控制在反硝化反應的適宜范圍內。
通過大比例出水回流保證了載體流化狀態,強化營養物質的傳質,也有利于反硝化產生的氮氣和堿度的釋放。同時厭氧流化床反應器配備了進水分配系統,通過進水濾頭保證了反應器內流態穩定。
在厭氧流化床反應器內,污水中的硝酸根和有機物進行著高效的生物反硝化反應,與傳統反硝化水池相比,厭氧流化床生物反應器具有如下優點:①NO3--N負荷高、啟動快、能耗低、抗沖擊負荷能力強;②可以在高水力負荷下運行;③處理槽內污泥濃度高,容積負荷高,反應器采用塔式結構,節省占地。
本工程設置3套并聯的厭氧流化床生物反應器,SS304不銹鋼塔式結構,反應器尺寸為Ф6m×25m,內部填充了一定比例的0.3~0.5mm高密度載體。每個反應器配有3臺外循環泵,2用1備,每臺泵流量260m3/h,揚程20m。
厭氧流化床生物反應器操作參數:設計流量為66.7m3/h,進水pH值4.0,出水pH值7.0~8.0,反應溫度15~37℃,NO3--N容積負荷4~5kg/(m3·d)。3.2營養調節池營養調節池1座,鋼筋混凝土結構,內防腐,地上式(地下2m),尺寸為21m×19m×6.5m,HRT為10.5h。池內配置水下攪拌機4臺,電機功率5.5kW。
營養調節池操作參數如下:污水溫度15~35℃,營養控制ρ(C)∶ρ(N(NO3--N))為(3~4)∶1,ρ(C)∶ρ(N(NH3-N))∶ρ(P)為300∶5∶1。
3.3pH值調節池中和池1座(分2格),鋼筋混凝土結構,內防腐,單格尺寸為5m×5m×6.5m,HRT為45min。每格配立式攪拌機1臺,電機功率15kW。
3.4出水監控池
出水監控池1座,鋼筋混凝土結構。尺寸為24m×8m×2m,有效容積為285m3。出水池中設置pH分析儀、NO3--N分析儀、COD分析儀以及在線溫度監測儀,監測出水水質情況。
4、設計創新點
本工程借鑒國內外生物流化床脫氮技術[1-3],采用厭氧流化床生物處理技術處理高濃度NO3--N廢水,并設計成塔式生物流化床反應器,通過大回流比,處理高濃度含NO3--N化工廢水,節省占地。與其他生物脫氮工藝相比,生物流化床反應器具有容積負荷高、傳質速度快、抗沖擊能力強、占地面積小、運行穩定等優點,在流化床反應器內進行反硝化反應,硝酸鹽被有效去除。
為節省反硝化所需碳源,本項目引入了廢堿液,與傳統工藝采用甲醇、葡萄糖等作為碳源,費用更低,安全性更好。荊建波等[4]在厭氧脫硝流體化床技術處理NO3--N廢水研究中利用高濃度RD有機廢水代替甲醇做碳源時,NO3--N去除效果基本不受影響,仍保持良好去除能力。
朱海興等[5]以某煉油廠廢堿液為碳源,采用短程硝化-反硝化法處理低碳高氨氮廢水,2h內可將硝化階段產生的NO3--N基本去除,去除率達95.1%。肖思海等[6]利用剩余污泥在厭氧水解酸化階段產生的高濃度有機酸作為系統內碳源,替代了外碳源的投加,在解決碳源不足問題的同時實現污泥的減量化與資源化利用。
由此可見,尋找廢堿液等物質代替甲醇作為碳源是可行的,且可節約運行成本。本工程特意在本企業內部篩選適合做碳源和氮源的廢水,通過現場試驗比選,最后選擇高濃度廢堿液作為碳源,含氨廢水作為氮源,達到了“以污治污、變廢為寶”的目的。
5運行情況
該工程從建設完工后經調試,目前已運行近1a,廢水處理效果見表3。
表3實際進出水水質及處理效果

由表3可以看出,廢水實際進水水質在設計范圍內,實際出水水質穩定,廢水COD,NO3--N,NH3-N去除率分別為88.1%,91.3%,80.3%,各項指標達到設計要求,廢水經脫氮處理后的出水:ρ(NO3--N)≤100mg/L,ρ(COD)≤500mg/L,ρ(NH3-N)≤15mg/L,減輕了該公司綜合污水處理場處理負荷,保證了整個污水系統穩定運行。本工程總投資為3683.4萬元,其中土建費用938.3萬元,設備費用1229.7萬元,其他費用1515.4萬元。
6結論
(1)采用厭氧流化床生物技術處理高硝態氮化工廢水,運行結果表明:出水NO3--N,COD,NO3--N質量濃度分別低于100,500,15mg/L,滿足該公司綜合污水處理場接管要求。
(2)厭氧流化床生物反應器中反硝化菌附著在細小的載體表面,對高NO3--N化工廢水具有良好的去除效果,NO3--N去除率達90%以上,為廢水中總氮的達標排放做出重要貢獻。
(3)本工程采用高濃度廢堿液作為碳源,含氨廢水作為氮源,節約藥劑投加成本,達到了“以污治污、變廢為寶”的目的。
污水處理過程中溶解氧的控制問題匯總
論污水的化學處理之化學混凝法
超低排放改造與脫硫廢水處理的優化探討
淺析化工廢水特點及廢水處理原則、特征
三種常見的高鹽廢水處理方式
城市黑臭水體治理技術體系研究
化工污水處理過程中的危險因素分析
關于污泥性狀異常及簡單分析結果
UASB厭氧處理工藝
污水處理系統應急預案
農村生活污水處理
燃煤電廠脫硫廢水零排放預處理工藝選…
煤化工廢水處理技術研究
SBR法處理煤化工廢水中石油烴類的試…
發電廠節水及廢水綜合利用改造實例
工業園區污水處理工藝選擇